Informations disponibles
- Châssis en tubulaire d'’acier de grande épaisseur qui confère à la machine solidité, rigidité et durabilité.
- Unité d’affûtage de lame avec 4 meules pour la coupe dans les deux sens
- Panneau de commende au sol du còté opérateur, sécurité confiée à un circuit certifié avec unité de commande électronique
- L’équerre par laquelle le matériou à traiter est mis en piace, glisse sur des guides en aluminium avec des inserts en acier trempé. Le glissement de la butéée est réglable du còté de l’opérateur, grâce à l’action sur un frein à disque
- Tige protège-lame motorisé
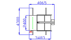
- Longueur plate-forme = cm. 250
- Largeur de la plate-forme de l’appui butée a lame = cm. 220
- Largeur de la plate-forme de la lame à l’extérieur = cm. 125
- Hauteur max. du bloc = cm. 130
- Hauteur butée = cm. 115
- Consommation - 380 Volt 50 Hz = 3 KW.


